LDJ-10/210-L,LDJ-10Q/210-L手車開關柜用電流互感器
一、手車開關柜用電流互感器概述
LDJ-10/210-L,LDJ-10Q/210-L電流互感器為是專門為KYN-10型手車開關柜而設計,環氧樹脂澆注絕緣全封閉產品,適用于額定頻率50Hz或60Hz、額定電壓10kV的電力系統中,作電能計量、電流測量和繼電保護用。LDJ系列電流互感器為貫穿式環氧樹脂澆注全封閉結構,其一次繞組的一個端子帶有靜觸頭被設置在環氧樹脂的絕緣空腔內。

二、LDJ-10/210-L,LDJ-10Q/210-L手車開關柜用電流互感器工作條件:
1、環境溫度:最高溫度45℃,平均溫度不超過30℃,最低溫度:-45℃。
2、海拔高度不超過1000M(超過請注明)
3、接地方式:中性點非有效接地系統
4、大氣條件:無嚴重污染
三、LDJ-10/210-L,LDJ-10Q/210-L手車開關柜用電流互感器電流比

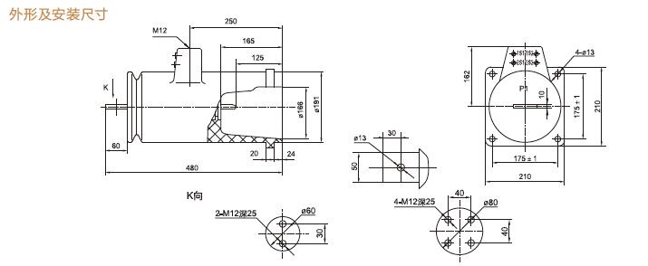
四、LDJ-10/210-L,LDJ-10Q/210-L手車開關柜用電流互感器外形及安裝尺寸

五、LDJ-10/210-L,LDJ-10Q/210-L手車開關柜用電流互感器技術參數
產品性能符合標準GB1208和IEC60044-1
額定絕緣水平12/42/75KV
負荷的功率因數:cosφ=0.8(滯后)
額定頻率50Hz或60Hz
額定一次電流:5-3150A
額定二次電流:5A或1A
環境溫度:-5℃~+40℃
計量準確級數:0.2S,0.5S,0.2,0.5
六、LDJ-10/210-L,LDJ-10Q/210-L手車開關柜用電流互感器注意事項:
1、電流互感器一次有電流時,二次繞組不得開路,否則有高壓產生,對產品性能亦有影響;
2、一次繞組的重復工頻耐壓,試驗應在規定試驗電壓值得80%以下
七、LDJ-10/210-L,LDJ-10Q/210-L手車開關柜用電流互感器選型推薦
LZZBJ12-10A、B、C LZZB-10 LZZBJ9-10A1G、B1、C1 LZZB9-24/220b/2
LZZBJ4-35 LZZB9-35D LA(J)-10Q LMZK-10PU
LZZB7-35 LZZ(J)B6-10Q LZZJ-10Q LZJC-10
LZJ8-10Q LQJ8-10Q LFS-10Q LMZ(J)1-10Q
LAZBJ-10Q LFZB(J)8-10A2、B2 LDJ-10(Q)/210-L,Y LZCT-10C
八、LDJ-10/210-L,LDJ-10Q/210-L手車開關柜用電流互感器廠家-浙江中拓高壓電器簡介
浙江中拓高壓電器有限公司是一家主要從事研發、生產銷售110kV及以下戶內外高低壓互感器,鐵芯、絕緣件的專業廠家。公司的10-35kV戶內外互感器,銷遍全國各地,遠銷海外多個國家和地區,深受廣大用戶信賴和好評,10kV真空斷路器用互感器已成為國內柱上開關生產企業最優選擇合作單位。2007年自主研發的主推產品LZW32-10(12)型戶外保護用電流互感器,是目前國內同類型配套互感器主要生產商。聯系電話:13868715829,商務QQ:40378900,歡迎來電咨詢定制。