LXBK1-Φ80、LXBK1-Φ100、LXBK1-Φ120零序電流互感器 開口互感器
一、LXBK1-Φ80、LXBK1-Φ100、LXBK1-Φ120零序電流互感器原理
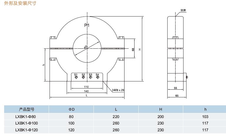
LXBK1-80,LXBK1-100,LXBK1-120零序電流互感器為戶內裝置,是專門為35KV戶內電纜頭出線而設計的開合式電流互感器,作為額定頻率50HZ或60HZ,額定電壓6-35KV的電力系統中作繼電保護用。本型電流互感器為開合式。二次繞組及鐵芯均澆注在聚脂樹脂內。安裝時可將互感器分為兩半,中間窗孔供一次母線穿過,然后用螺栓擰緊。

二、LXBK1-Φ80、LXBK1-Φ100、LXBK1-Φ120零序電流互感器變比參數
1. LXBK1-80,LXBK1-100,LXBK1-120型互感器的一次主絕緣由電纜保證,產品僅考核二次繞組的絕緣性能。二次繞組對地能承受3 kV工頻耐壓。
2. 額定二次電流:1A
3. 額定一次電流、準確級及額定輸出見表。

三LXBK1-Φ80、LXBK1-Φ100、LXBK1-Φ120零序電流互感器接線圖

四、LXBK1-Φ80、LXBK1-Φ100、LXBK1-Φ120零序電流互感器零序電流互感器使用注意事項
電流互感器使用注意事項電流互感器運行時,副邊不允許開路。因為一旦開路,原邊電流均成為勵磁電流,使磁通和副邊電壓大大超過正常值而危及人身和設備安全。因此,電流互感器副邊回路中不許接熔斷器,也不允許在運行時未經旁路就拆下電流表、繼電器等設備。
電流互感器運行時,副邊不允許開路。原因如下:
⒈電流互感器一次被測電流磁勢I1N1在鐵芯產生磁通Φ1
⒉電流互感器二次測量儀表電流磁勢I2N2在鐵芯產生磁通Φ2
⒊電流互感器鐵芯合磁通:Φ = Φ1 + Φ2
⒋因為Φ1.Φ2方向相反,大小相等,互相抵消,所以 Φ = 0
⒌若二次開路,即 I2 = 0 ,則:Φ = Φ1,電流互感器鐵芯磁通很強,飽和,鐵心發熱,燒壞絕緣,產生漏電
⒍若二次開路,即 I2 = 0 ,則:Φ = Φ1,Φ在電流互感器二次線圈N2中產生很高的感生電勢e,在電流互感器二次線圈兩端形成高壓,危及操作人員生命安全
⒎電流互感器二次線圈一端接地,就是為了防止高壓危險而采取的保護措施。
電流互感器原理是依據電磁感應原理的。電流互感器是由閉合的鐵心和繞組組成。它的一次繞組匝數很少,串在需要測量的電流的線路中,因此它經常有線路的全部電流流過,二次繞組匝數比較多,串接在測量儀表和保護回路中,電流互感器在工作時,它的2次回路始終是閉合的,因此測量儀表和保護回路串聯線圈的阻抗很小,電流互感器的工作狀態接近短路。電流互感器是把一次大電流轉換成二次小電流來使用 ,二次不可開路
五、零序電流互感器的型號
一、電流互感器型號
第一字母:L—電流互感器
第二字母:A—穿墻式;Z—支柱式;M—母線式;D—單匝貫穿式;V—結構倒置式;J—零序接地檢測用;W—抗污穢;R—繞組裸露式
第三字母:Z—環氧樹脂澆注式;C—瓷絕緣;Q—氣體絕緣介質;W—與微機保護專用
第四字母:B—帶保護級;C—差動保護;D—D級;Q—加強型;J—加強型ZG
第五數字:電壓等級 產品序號
二、 主要技術要求
2.1 額定容量:額定二次電流通過二次額定負荷時所消耗的視在功率。額定容量可以用視在功率V.A表示,也可以用二次額定負荷阻抗Ω表示。
2.2 一次額定電流:允許通過電流互感器一次繞組的用電負荷電流。用于電力系統的電流互感器一次額定電流為5~25000A,用于試驗設備的精密電流互感器為 0.1~50000A。電流互感器可在一次額定電流下長期運行,負荷電流超過額定電流值時叫做過負荷,電流互感器長期過負荷運行,會燒壞繞組或減少使用壽命。
2.3 二次額定電流:允許通過電流互感器二次繞組的一次感應電流。
2.4 額定電流比(變比):一次額定電流與二次額定電流之比。
2.5 額定電壓:一次繞組長期對地能夠承受的最大電壓(有效值以kV為單位),應不低于所接線路的額定相電壓。電流互感器的額定電壓分為0.5,3,6,10,35,110,220,330,500kV等幾種電壓等級。
2.6 10%倍數:在指定的二次負荷和任意功率因數下,電流互感器的電流誤差為-10%時,一次電流對其額定值的倍數。10%倍數是與繼電保護有關的技術指標。
2.7 準確度等級:表示互感器本身誤差(比差和角差)的等級。電流互感器的準確度等級分為0.001~1多種級別,與原來相比準確度提高很大。用于發電廠、變電站、用電單位配電控制盤上的電氣儀表一般采用0.5級或0.2級;用于設備、線路的繼電保護一般不低于1級;用于電能計量時,視被測負荷容量或用電量多少依據規程要求來選擇(見第一講)。
2.8 比差:互感器的誤差包括比差和角差兩部分。比值誤差簡稱比差,一般用符號f表示,它等于實際的二次電流與折算到二次側的一次電流的差值,與折算到二次側的一次電流的比值,以百分數表示。
2.9 角差:相角誤差簡稱角差,一般用符號δ表示,它是旋轉180°后的二次電流向量與一次電流向量之間的相位差。規定二次電流向量超前于一次電流向量δ為正值,反之為負值,用分(’)為計算單位。
2.10 熱穩定及動穩定倍數:電力系統故障時,電流互感器受到由于短路電流引起的巨大電流的熱效應和電動力作用,電流互感器應該有能夠承受而不致受到破壞的能力,這種承受的能力用熱穩定和動穩定倍數表示。熱穩定倍數是指熱穩定電流1s內不致使電流互感器的發熱超過允許限度的電流與電流互感器的額定電流之比。動穩定倍數是電流互感器所能承受的最大電流瞬時值與其額定電流
六、浙江中拓零序電流互感器選型推薦:
LJ-1? 20/1A ????LJ-2? 25/1A???? LJ-4? 30/1A???? LJ-7? 35/1A
LXK-Φ80、LXK-Φ120、LXK-Φ140、LXK-Φ160、LXK-Φ200、LXK-Φ240
LXBK1-Φ80? 15/1A、LXBK1-Φ100? 60/1A、LXBK1-Φ120? 120/1A
七、浙江中拓零序電流互感器簡介
浙江中拓高壓電器有限公司是一家主要從事研發、生產銷售110kV及以下戶內外高低壓互感器,鐵芯、絕緣件的專業廠家。公司的10-35kV戶內外互感器,銷遍全國各地,遠銷海外多個國家和地區,深受廣大用戶信賴和好評,10kV真空斷路器用互感器已成為國內柱上開關生產企業最優選擇合作單位。2007年自主研發的主推產品LZW32-10(12)型戶外保護用電流互感器,是目前國內同類型配套互感器主要生產商
?
?
?