JLSZY-6W、JLSZY-10W戶外干式組合互感器 電力計量箱
一、JLSZY-6W、JLSZY-10W戶外干式組合互感器簡介
JLSZY-6W、JLSZY-6W組合互感器是由兩臺單相全絕緣電壓互感器組成三相“V”型接線,A、C相分別串接兩臺電流互感器,供10KV及以下電力線路作電流、電能計量用。電流互感器可做成高精度多變比結構,為以后系統增容帶來方便。產品用戶外環氧樹脂澆注,外形用防雨傘裙,表面爬電距離大,具有耐電弧、防雨、防塵、耐腐蝕、耐紫外線等特點,是電網改造的理想換代產品。
二、JLSZY-6W、JLSZY-10W戶外干式組合互感器使用條件
1.該產品適用于頻率為50Hz的35kV三相交流電力系統中;
2.環境溫度:-40℃~+40℃;
3.空氣相對濕度:月平均值≤90?;
4.海拔高度:不超過2000m;
5.周圍空氣不應受腐蝕性氣體或可燃性氣體的污染。
三、JLSZY-6W、JLSZY-10W戶外干式組合互感器結構簡介
JLSZY-6W、JLSZY-10W組合互感器為外環氧樹脂(瑞士CIBA CW5837)澆注全封閉、支柱式結構。由于采用戶外環氧樹脂澆注,產品具有耐電弧、耐紫外線、耐老化、壽命長等特點。本產品由兩臺單相全絕緣電壓互感器組成"V"形接線,兩臺電流互感器分別串接在A、C相上,并且電流互感器二次繞組帶有抽頭可得到不同的電流變比。二次出線端有接線保護罩,其下方有出線孔,接線方便安全可靠并能實現防竊電措施。底座槽鋼上有4個安裝孔供安裝用。
接線原理圖
四、JLSZY-6W、JLSZY-10W戶外干式組合互感器技術參數
1.額定絕緣水平:12/42/75KV
2.表面爬電距:滿足III級污穢等級
3.本型組合互感器系由單相電壓互感器及單相電流互感器合成三相,電壓互感器用V/V-12接線
4.本型組合互感器滿足GB1208-1997《電流互感器》,GB1207-1997《電壓互感器》,GB17201-1997《組合互感器》之要求
5.電壓互感器額定變比:1000/100,三相額定二次輸出:0.2級20X√3(VA),0.5級50X√3(VA),極限輸出400X√3(VA)
6.負載功率因數COSΦ=0.8(滯后),電流互感器儀表保安系數FS小于等于10
7.環境溫度:負30度到正40度
8.海拔高度:小于等于1000米
9.配用熔斷器型號為XPNP□-12型0.5A(特殊要求請在訂貨時提出)
五、JLSZY-6W、JLSZY-10W戶外干式組合互感器變比參數

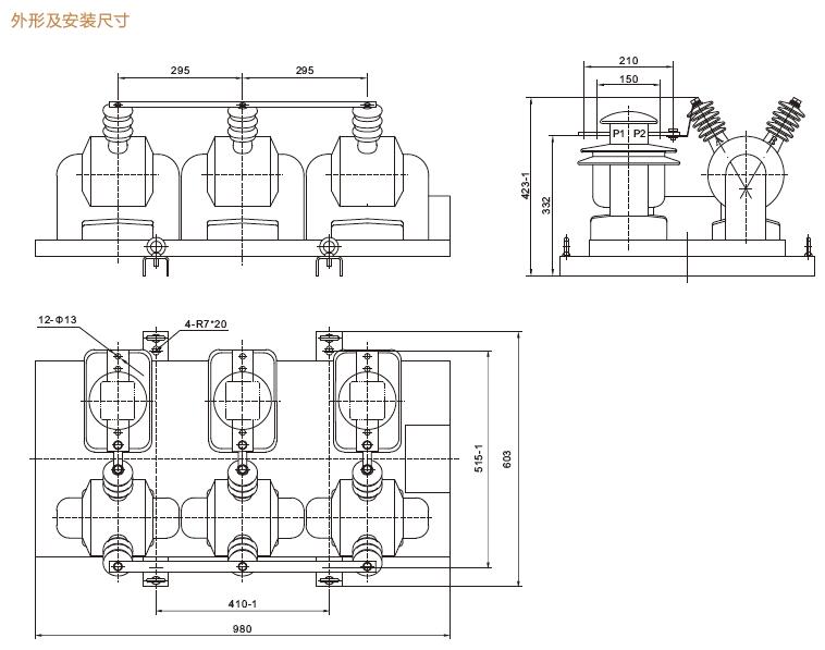
六、JLSZY-6W、JLSZY-10W戶外干式組合互感器尺寸

七、JLSZY-6W、JLSZY-10W戶外干式組合互感器接線圖

八、JLSZW-6W、JLSZW-10W戶外干式組合互感器相關產品—浙江中拓高壓戶外組合互感器產品推薦:
JLSZW-6組合互感器 ??
浙江中拓高壓電器有限公司是一家主要從事研發、生產銷售110kV及以下戶內外高低壓互感器,鐵芯、絕緣件的專業廠家。公司的10-35kV戶內外互感器,銷遍全國各地,遠銷海外多個國家和地區,深受廣大用戶信賴和好評,10kV真空斷路器用互感器已成為國內柱上開關生產企業最優選擇合作單位。2007年自主研發的主推產品LZW32-10(12)型戶外保護用電流互感器,是目前國內同類型配套互感器主要生產商。
?
?